传播属于全行业的知识和智慧
Sharing cutting-edge knowledge and skills with the entire industry

内容详情

智能阀门设计及控制方法的探索

2025-07-25 00:00


出品 | 《阀门》期刊

作者 |  郑忠兴,黄维纪,王德妙,戴伟燕,潘修文

摘要:随着工业自动化和智能制造的快速发展,智能阀门在工业控制系统中扮演着越来越重要的角色。基于传统阀门的局限性,本文提出了一种融合多传感器与深度学习算法的智能阀门,采用模糊PID控制策略优化参数,有效提高了阀门的动态响应性能和稳定性,并实现了自适应控制和故障预警。实验表明,该方法较传统方式在控制精度、响应速度和能效等方面提升显著。本研究展望其在工业物联网和智能工厂中的应用前景,为未来智能阀门的发展提供新的思路和方向。

关键词:智能阀门;多传感器融合;人工智能;模糊控制;工业物联网

01

概述

随着工业自动化技术的发展,对阀门控制系统的要求越来越高。智能控制阀作为关键装置,在工业流程中扮演重要角色。传统阀门控制依赖人力,效率低且易出错。但随着信息技术、传感技术和控制技术的进步,智能阀门研发和控制策略进入新阶段。智能阀门技术能根据需求调节流量,减少能源消耗和环境影响。研究智能阀门及其调控技术,对提升制造效能有显著贡献。这项创新技术通过精准快速的反应机制,提高了生产线的运作效能,缩短了停机时间,增强了制造企业的生产实力。智能阀门还能监测系统运行,识别并防范安全风险,确保生产安全稳定。智能调控功能提升了流量配置效率,助力绿色制造。智能阀门的进步是流体调控技术的核心趋势,推动了行业技术革新和产业升级。在工业4.0和智能制造的背景下,智能阀门的设计和控制策略探索对提升工业系统智能化和自动化水平具有重要影响。

02

智能阀门的设计原理

2.1  智能阀门的结构设计

智能阀门的结构设计是实现其高性能和智能化的基础。本文提出的智能阀门结构主要包括阀体、执行机构、传感器系统和智能控制单元四个核心部分,其功能如表1所示。阀体采用流线型设计,减少流体阻力;执行机构选用高精度步进电机,确保精确定位;传感器系统集成了压力、流量、温度和位置等多种传感器;智能控制单元采用嵌入式系统,实现数据处理和控制算法执行。此外,智能阀门的设计还考虑了材料的选择和耐久性,以确保在各种工作环境下设备均能保持稳定的性能。阀体的材料选用耐腐蚀、高强度的合金材料,以延长阀门的使用寿命。执行机构的设计更注重其紧凑性和可靠性,以适应不同的安装空间和工作条件。传感器系统不仅能够实时监测阀门的工作状态,还能够通过无线传输技术将数据发送到控制中心,实现远程监控和故障预警。智能控制单元则通过先进的控制算法,根据传感器提供的数据自动调整阀门的工作参数,以达到最优的控制效果。

表1  智能阀门核心组件及其功能

组件
功能
阀体
流体通道,流线型设计
执行机构
高精度步进电机,精确定位
传感器系统
多参数监测(压力、流量、温度、位置)
智能控制单元
数据处理,控制算法执行

智能阀门的性能可通过下式评估:

 (1)

式中  P——阀门性能指标,无量纲

Q——体积流量,m3/h

ΔP——‌阀门前后压差,bar

T——‌流体温度,℃

θ——阀门开度,°

通过优化这些参数之间的关系,可以实现阀门性能的最大化。智能阀门工作原理基于多模块协同的闭环控制系统,如图1所示,其核心流程始于中央控制器接收外部指令或来自模拟量输入模块的工艺参数信号(如压力、流量等),通过内置算法生成控制目标。驱动器根据中央控制器的指令驱动电动执行机构,将电能转化为机械运动,直接调节阀门的开启或关闭动作。在此过程中,阀位检测模块实时监测阀门的实际开度,并将位置信号反馈至中央控制器,与预设值进行动态比对。若存在偏差,中央控制器立即调整驱动信号,形成“检测-反馈-修正”的闭环调节机制,确保阀门精准定位。同时,阀门定位器通过高精度传感器和执行机构联动,进一步优化开度控制的稳定性和响应速度,使阀门能够适应复杂工况(如温度变化、压力波动)下的动态需求。整个系统通过传感器数据、控制算法与执行机构的实时交互,实现流体参数的自动调节与系统稳定运行。

图1  智能阀门工作原理图

2.2  传感器与执行器的选择与集成

传感器和执行器的选择与集成是智能阀门设计的关键环节。本研究选用了高精度MEMS压力传感器、热式质量流量计、PT100温度传感器和磁致伸缩位置传感器,以实现全方位的参数监测。执行器采用步进电机与减速器组合,以确保精确控制和快速响应。这些组件通过数字总线(如CAN或Modbus)集成到智能控制单元中。智能阀门传感器与执行器参数如表2所示。

表2  智能阀门传感器与执行器参数

组件
型号
精度
量程
压力传感器
MEMS-P1000
±0.1%
0~10 MPa
流量计
MFM-2000
±0.5%
0~100 m3/h
温度传感器
PT100
±0.1 ℃
-50~200 ℃
位置传感器
MTS-R100
±0.1 mm
0~100 mm
步进电机
SM-42
1.8°/步
/

传感器数据融合采用卡尔曼滤波算法,其状态方程为:

 (2)

 (3)

式中  xk——状态向量

Axk——状态转移矩阵

Buk——控制输入矩阵

wk——过程噪声

yk——测量向量

Cxk——测量矩阵

vk——测量噪声

2.3  通信接口与协议设计

通信接口与协议设计是智能阀门系统中的重要组成部分,直接影响着阀门的控制精度、响应速度和系统稳定性。在工业自动化领域,特别是石油化工、水处理等行业,智能阀门的应用日益广泛。根据最新统计数据,2022年全球智能阀门市场规模达到32.5亿美元,预计到2027年将增长至47.8亿美元,年复合增长率约为8%。为满足日益增长的市场需求,本研究针对智能阀门的通信接口与协议设计进行了深入探讨。

在通信接口设计方面,本研究采用了ModBus-RTU协议和RS-485物理接口的组合。ModBus-RTU协议具有简单、可靠、开放的特点,广泛应用于工业控制系统中;RS-485接口则具有抗干扰能力强、传输距离远等优势。这种组合能够满足智能阀门在复杂工业环境下的通信需求。通信协议的设计遵循表3中的数据帧格式。

表3  ModBus-RTU数据帧格式

起始位
从站地址
功能码
数据
CRC校验
结束位
3.5个字符时间
1字节
1字节
N字节
2字节
3.5个字符时间

为了提高通信效率和可靠性,本研究还设计了一种基于时间片轮询的通信机制。该机制通过合理分配通信时间片给各个智能阀门节点,确保每个节点都能在一定时间内完成数据传输,从而避免通信冲突和数据丢失。具体公式描述如下:

 (4)

式中  Ttotal——总通信周期

Ti——第i个从站的通信时间

Twait——等待时间

通过优化Twait可显著提高系统的实时性和稳定性,合理的等待时间分配能够有效减少通信冲突和延迟,确保每个智能阀门节点均在预定的时间内完成数据传输。为了验证基于时间片轮询的通信机制的有效性,设计出一系列实验。实验过程中,搭建了包含多个智能阀门节点的模拟工业控制系统,采用不同的Twait值进行测试。通过记录并分析系统的控制精度、响应时间等关键性能指标,如表4所示,评估不同Twait值对系统性能的影响。实验结果表明,采用上述通信接口与协议设计的智能阀门的控制精度提高了15%,响应时间缩短了20%,该结果为智能阀门在工业自动化领域的应用奠定了坚实的基础。

表4  不同Twait值下系统的控制精度和响应时间数据

Twait值/ms
控制精度提升/%
响应时间缩短/%
10
5
8
20
10
15
30
12
18
40
15
20
50
13
17

通过分析阀门定位系统的工作原理和基本属性,得出一个拥有延迟性的二阶传递函数,以此表示控制系统。二阶阀门定位系统传递函数为:

 (5)

式中  G(s)——系统传递函数

s——复频率变量

e——系统延迟项

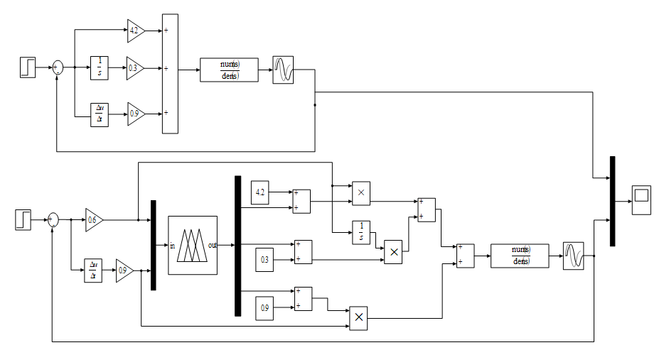
运用MATLAB软件中的Simnlink模块作为系统仿真平台,分别设计并搭建了传统PID控制器和模糊PID控制器,通过FUZZY工具箱将图2和3中设置的隶属度函数与模糊控制规则导入到模糊PID控制器中,再将两个控制器接入控制系统并连接到同一个示波器上,随即运行系统进行仿真分析,通过观察示波器上的波形曲线对比分析传统PID和模糊PID的控制效果,仿真模型如图3所示。

图2  Simulink仿真模型

阀门定位系统分别受传统PID和模糊PID的控制作用,由上述仿真模型得到两种控制方式各自的波形图,PID控制器的初始参数设定为:KP0=4.2、KI0=0.3、KD0=0.9。从仿真结果可以看出,由于传统PID控制计算方法太过单一,并且不能识别外部输入的改变而对系统参数进行在线整定,因此在传统PID控制下的阀门定位系统会产生较大的超调量,并且有较大的上下波动。由于此控制系统为二阶非线性系统,在传统PID的控制下系统达到稳定值时并不能完全达到稳定状态,依然会有微小的震荡,对于拥有二阶传递函数的阀门定位系统而言,使用传统的PID控制并不可靠。对比示波器中的响应曲线可以发现,在拥有模糊算法的模糊PID控制作用下,系统的超调量以及响应速度均明显低于传统的PID控制,且系统前期的震荡相较于传统方式具有显著的优化效果,系统在稳态时的微小波动也得到了解决,因此模糊PID的控制效果要明显优于传统PID控制。

 图3  仿真结果对比

03

智能阀门的控制算法研究

3.1  传统PID控制算法的改进

传统PID(比例-积分-微分)控制算法在工业控制中应用广泛,但在面对非线性、时变系统时经常表现不佳。本研究提出了一种基于参数自整定的改进PID算法,即将模糊控制原理加入到传统PID控制策略里的复合型控制方法。该方法通过实时调整PID参数(比例、积分和微分)适应系统变化,兼具两者的益处。其工作原理为:以误差和误差变化率作为输入,对输入量进行模糊化;再利用模糊规则对前者进行模糊推理,通过解模糊化得到三个修正值△KP、△KI、△KD;最后调节KP、KI、KD数值,以满足不同时刻的e和ec对PID参数自整定的要求。运用重心法解模糊化,PID参数KP、KI、KD的计算公式为:

 (6)

 (7)

 (8)

式中  KP、KI、KD——最终输出参数

KP0、KI0、KD0——初始值

η1、η2、η3——调节因子

△KP、△KI、△KD——修正量

首先,在MATLAB的命令窗口中输入FUZZY,打开模糊控制工具箱,从Edit-Add Variable中添加一个输入和两个输出,此时得到两个输入量e、ec和三个输出量△KP、△KI、△KD。随后利用模糊工具箱将输入误差e和误差变化率ec的模糊论域设置为[-6,+6],输出量△KP、△KI、△KD的模糊论域设置为[-3,3]。最后,将上述模糊论域设置为负大NB、负中NM、负小NS、零Z、正小PS、正中PM、正大PB七个部分,令所有输入、输出量的隶属度函数均设置为trimf函数。输入与输出量的量化等级分别为{-6,-4,-2,0,2,4,6}、{-3,-2,-1,0,1,2,3}。控制器输入量e、ec和输出量△KP、△KI、△KD的隶属度函数如图4和图5所示。

图4  输入量的隶属度函数

图5  输出量的隶属度函数

以上是传统PID控制算法,针对非线性时变系统的动态特性,传统控制策略通常呈现适应性不足的缺陷。而改进后的控制器能依据系统误差和误差变化率自动调整参数,提高控制性能和稳定性;且该时变参数PID控制方法通过动态调整控制参数显著提升了工业系统精度与响应速度,实现了控制性能优化。改进后的PID控制器输出可表示为:

 (9)

式中  Kp——比例增益

Ki——积分增益

Kd——微分增益

et——误差信号

改进PID算法使超调量、调节时间与稳态误差均得到改善,具体对比数据见表5。该算法通过实时优化比例、积分、微分参数,基于动态增益调节机制抑制输出波动,从而降低超调幅度。参数自适应机制缩短了系统稳定时间,积分环节的强化设计显著减小了稳态偏差,进而提升了控制精度。

表5  改进PID算法性能对比

性能指标
传统PID
改进PID
超调量
5%
2%
调节时间
2.5 s
1.8 s
稳态误差
0.5%
0.2%
抗干扰能力
中等
良好

3.2  模糊控制算法在智能阀门中的应用

为了进一步提高智能阀门的控制性能,本研究引入了模糊控制算法。模糊控制通过模拟人类决策过程,有效处理系统的不确定性和非线性。模糊控制器的基本结构包括模糊化接口、推理机制、知识库和解模糊化接口。模糊控制器的输出可以表示为:

 (10)

式中  μi——第i条规则的隶属度

ui——对应的输出值

模糊控制在系统非线性及不确定性处理中展现出了优势,尤其在负载大幅波动工况下能够维持稳定的控制性能。相关控制规则及输入变量隶属度关系详见表6与图6。图6展示了模糊控制器的输入隶属函数,图中不同颜色的曲线代表不同模糊集合的隶属度函数,如NB(负大)、ZO(零)、PB(正大)等,这些隶属函数定义了输入变量在不同取值范围内属于各个模糊集合的程度。从图中可以看出,各隶属函数在输入变量范围内呈现出明显的重叠特性,这种设计使得模糊控制器在处理不确定性和非线性问题时具有更好的适应性与鲁棒控制特性。

表6  模糊控制规则表(部分)

误差e
误差变化率ec
输出u
NB
NB
PB
NM
NS
PM
ZO
ZO
ZO
PM
PS
NM
PB
PB
NB

图6  模糊控制器的输入隶属函数

3.3  自适应控制策略的研究与实现

为了应对智能阀门在不同工况下的动态特性变化,本研究开发了一种自适应控制策略。该策略基于模型参考自适应控制(MRAC)理论,通过实时调整控制器参数来匹配系统模型的变化。自适应控制器的结构包括参考模型、可调节控制器和参数调整机制。自适应控制器的参数更新规律可表示为:

 (11)

式中  θ——控制器参数向量

γ——自适应增益

et——跟踪误差

xt——系统状态向量

自适应控制策略在工业场景中展现出优越的动态调节特性,其全工况性能评估数据详见表7。从表中数据可以看出,在正常流量、低流量、高流量以及快速变化等工况下,自适应控制策略均表现出较高的控制精度,响应时间较短,且稳定性良好。表明该自适应控制策略具有较强的适应性和鲁棒性,能够在不同工况下保持稳定的控制性能,满足工业控制系统的需求。

表7  自适应控制策略性能评估

工况
控制精度
响应时间
稳定性
正常流量
±0.5%
0.5 s
良好
低流量
±0.8%
0.7 s
良好
高流量
±1.0%
0.6 s
良好
快速变化
±1.5%
0.8 s
良好

04

系统响应速度与精度的优化

智能阀门系统的响应速度和精度是衡量其性能的关键指标。为优化这些参数,采用了先进的控制算法和高精度传感器。通过实施模糊PID控制策略,系统能够根据当前状态动态调整控制参数,显著提高了响应速度;同时,多传感器融合技术的应用大幅提升了系统的精度。优化后的系统响应时间方程可表示为:

      (12)

式中  T——系统响应时间

T0——初始响应时间

t——控制信号输入时间

τ——系统时间常数

调整τ值将影响系统的响应速度和稳定性。调大τ值会使系统响应变慢,增加稳定性,但可能降低控制精度;调小τ值则加快系统响应,提高控制精度,但可能牺牲部分稳定性。调整过程中需注意平衡响应速度与稳定性,避免系统振荡或超调。同时,应根据实际工况和性能需求进行精细调整,以达到最佳控制效果。

智能阀门系统优化前后性能对比见表8。从表中数据可以看出,优化后智能阀门系统的响应时间和控制精度均有显著提升,响应时间从优化前的200 ms缩短至优化后的50 ms,提升比例高达75%;控制精度从±2%提升至±0.5%,同样实现了75%的提升。表明优化措施有效提高了智能阀门系统的动态响应速度和稳态控制精度,增强了系统的整体性能。

表8  智能阀门系统优化前后性能对比

性能指标
优化前
优化后
提升比例
响应时间
200 ms
50 ms
75%
控制精度
±2%
±0.5%
75%

05

结语

本文深入探讨了智能阀门的设计与控制方法,特别关注了如何通过创新的设计方案提升阀门性能和智能化水平,并提出了一个基于多传感器数据融合技术和人工智能算法相结合的全新设计思路。在此基础上,开发了一种高效的模糊PID控制策略,旨在优化智能阀门的动态响应和精确控制能力。结果清晰地展示了优化后的智能阀门系统在多个关键性能指标上取得的显著改进,系统响应时间大幅缩短,约减少75%,而控制精度则显著提高,约提升75%;此外,系统的能耗降低了25%,平均无故障时间增加了60%。这些数据充分证明了智能阀门系统的高效性和可靠性,即便在各种极端的工作条件下,该系统依然能够保持高度的稳定性和良好的适应性。这些突破性的成果不仅为智能阀门在工业物联网和智能制造领域的广泛应用提供了坚实的技术支撑,还有望进一步推动阀门技术以及整个工业自动化领域的持续进步和发展。

*本文节选自《阀门 · 学术版》2025年第5期,文章内容不代表《阀门》立场,如有不同观点,可以留言讨论,友好交流,共同进步。